Author : UnknownTidak ada komentar
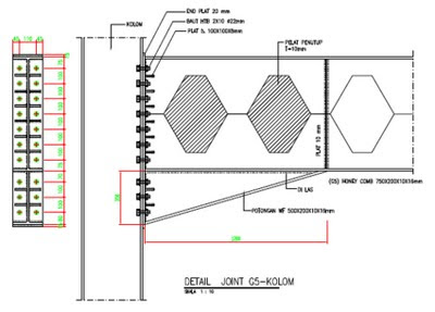
Balok Kastella (castellated beam) adalah balok yang dipakai untuk konstruksi bentang panjang (lebih dari 8 meter), yang berupa 2 profil baja yang disatukan menjadi 1 untuk mendapatkan tinggi profil yang sesuai. Balok kastella disebut juga honey comb beam, karena bentuk lubang segi enamnya yang menyerupai sarang lebah (honey comb). Profil tersebut dilubangi untuk memperkecil berat sendiri profil dan agar sambungan las nya dapat lebih efekti dan efisien.
Besarnya sudut kemiringn θ antara 45' sampai 70', sedangkan yang sering dipakai di lapangan adalah 45' dan 60'. Sudut θ ditentukan dengan memperhitungkan tegangan geser yang terjadi pada bagian garis netral badan sehingga tidak melebihi tegangan ijinnya. Analisis perhitungan penampang balok kastella adalah sebagai berikut
:
:
Gambar 1. Spesifikasi Balok Kastella
Analisis Perhitungan :
Dipakai sudut kemiringan 60'
Dengan : dg = tinggi profil castella.
db = tinggi profil balok awal.
h = tinggi pemotongan profil.
Syarat tinggi penampang balok kastella
= 2 y > h
= 2 (250 + 125) > 250
= 750 > 250 (OK)
Dari persamaan di atas terlihat adanya penambahan tinggi profil dari db (tinggi profil balok awal) menjadi dg (tinggi profil castella), sehingga akan menaikan momen inersia dan otomatis akan menaikan pula Kapasitas Lenturnya.
Gambar 2. Penampang Balok Kastella yang Telah Direncanakan
Gambar 3. Balok Kastella yang Telah Terpasang
Gambar 4. Tampak Samping Bentang Balok Kastella sepanjang 23 meter (digunakan untuk area bengkel)
Gambar 5. Tampak Belakang Bentang Balok Kastella sepanjang 23 meter (digunakan untuk area bengkel)
Btw, judul ini juga menjadi topik dalam Tugas Akhir saya loh...
Detail perencanaan struktur gedung dengan ETABS mulai dari pemodelan struktur, pembebanan, analisis gempa, dan perhitungan strukturnya bisa dibaca disini.
-
Artikel Terkait
Posted On : Kamis, 14 April 2011Time : 06.54








